Bmw E39 Wiring Diagram

Bmw E39 Wiring Diagram

6af Bmw E39 Maf Wiring Diagram Wiring Resources

2001 Bmw Wiring Diagram Wiring Diagram

Bmw E39 Wiring Diagram Pdf Reading Industrial Wiring Diagrams

Bmw E39 Wiring Diagram For Subwoofer On A Intallation

6419f Power Sentry Ps1400 Wiring Diagram Digital Resources

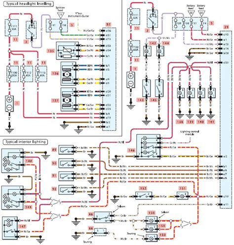
Bmw E39 Wiring Diagram Main Wiring Diagram

Bmw E39 Wiring Diagram Bmw Wiring Diagrams Images Download

Bmw E39 Electrical Wiring Diagram 2

Bmw M5 Wiring Diagrams Wiring Diagram

E 85 Bmw Z4 Wiring Diagram Wiring Diagram

Share:

Posting Lainnya:

Disqus Comments